Мессенджеры
+ 7 800 505-03-12

Бесплатно по РФ

Мессенджеры

Подбор размеров переточных решеток серии АП (Арктос)

Переточные решетки АП

(Арктос)

 

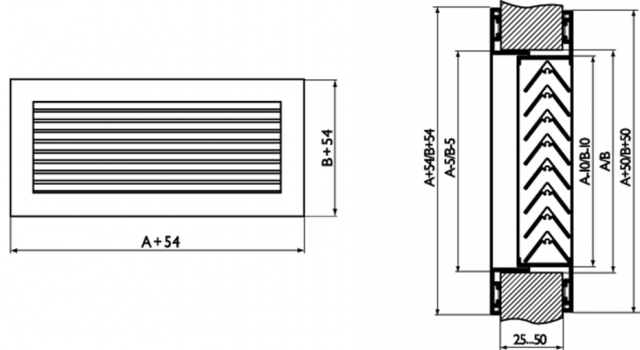
 Переточные решетки АП предназначены для перераспределения воздуха между помещениями. Решетки состоят из двух прямоугольных рам – наружной и внутренней. Во внутренней раме неподвижно закреплены V-образные горизонтальные жалюзи, препятствующие обзору через решетку. Наружная рама устанавливается в дверной или стеновой проем и закрепляется самонарезающими винтами. Внутренняя рама устанавливается с противоположной стороны двери или стены. Размеры рам позволяют устанавливать решетки на дверях или стенах толщиной от 25 до 50 мм.
    Переточные решетки изготавливаются из алюминия и окрашиваются методом порошкового напыления в белый цвет (RAL 9016). По заказу возможна окраска в любой цвет по каталогу RAL или текстурирование.
    Минимальный размер решетки 100 x 100 мм, максимальный - 1000 мм по одной из сторон, шаг 50 мм.

 

Данные для подбора переточных решеток АП

 

Размеры*
А х В, мм

Fo , м2

Fж.с., м2

Скорость в живом сечении Vж.с., м\c 

0.2

0.4

0.6

0.8

1.0

1.5

2.0

2.5

Потери полного давления ∆Pполн, Па 

0.1

0.3

0.7

1.3

2.0

4.0

8.0

12.0

300 x 150

0,039

0,021

15

30

45

60

80

110

150

190

300 x 200

0,054

0,029

21

42

63

80

100

160

210

260

300 x 250

0,068

0,036

26

52

78

100

130

190

260

320

350 x 150

0,046

0,025

18

36

54

70

90

140

180

230

350 x 200

0,063

0,034

24

49

73

100

120

180

240

310

400 x 150

0,053

0,029

21

42

63

80

100

160

210

260

400 x 200

0,073

0,040

29

58

86

120

140

220

290

360

500 x 150

0,067

0,037

27

53

80

110

130

200

270

330

500 x 200

0,091

0,050

36

72

110

140

180

270

360

450

500 x 250

0,116

0,064

46

92

140

180

230

350

460

580

600 x 200

0,110

0,061

44

88

130

180

220

330

440

550

600 x 250

0,139

0,078

56

110

170

220

280

420

560

700

 

* Решетки других размеров и цветов поставляются под заказ, характеристики приведены в каталоге воздухораспределители компании “Арктос”

 

 

Чтобы обеспечить перемещение воздуха из одной комнаты в другую, можно использовать переточные решетки. Это простая и дешевая альтернатива для тех, у кого под дверью отсутствует щель: в таком случае нормальная вентиляция помещения может нарушиться.

Зачем именно нужна решетка, какой она может быть и как монтируется — разберемся в других статьях.

 

Получите консультацию

Оставьте свои контактные данные и мы вам перезвоним!